高頻焊接連接管
用途:用于兩根(三根)標準銅軟連接線之間的連接,主要用于大型變壓器銅軟絞線的連接,它可分為雙通套筒連接件和T型三通連接件。
特點:導電性能好,連接穩(wěn)定。
可根據客戶圖紙需求加工。
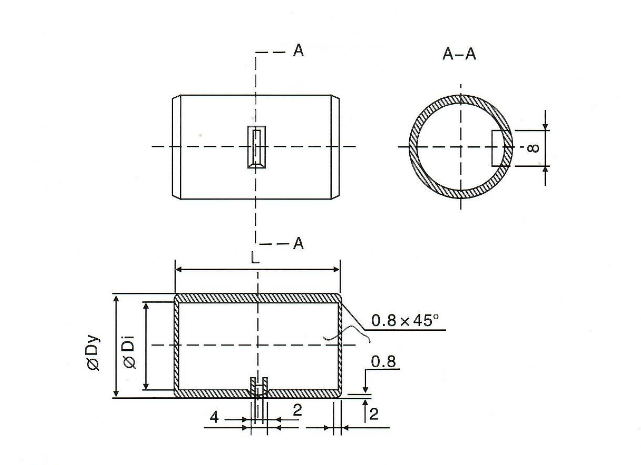
圖紙參數
Item | Area(mm²) | Di±0.3(mm) | Dy±0.3(mm) | L(mm) |
HJJX060400-A | 50 | 9.8 | 14.0 | 40 |
HJJX060400-B | 95 | 12.9 | 17.0 | 40 |
HJJX060400-C | 150 | 16.8 | 21.0 | 40 |
HJJX060400-D | 240 | 20.8 | 25.0 | 40 |
HJJX060400-E | 300 | 23.0 | 28.0 | 40 |
HJJX060400-F | 400 | 25.8 | 31.0 | 40 |
HJJX060400-G | 500 | 28.0 | 33.0 | 40 |